
| Circulation type | Model |
Characteristic |
|
| Single
Nut |
Double Nuts | ||
| Internal Circulation type | SFK SFNU
SFNI SCI |
DFNU
DFNI |
•Dedicated diameter of screw takes only little space. •Applicable to those with smaller lead / the outside diameter of the screw |
| External Circulation type | SFV XFV | DFV |
•Economy •Applicable to larger lead and diameter. •Applicable for high loading purpose. |
| End-caps Circulation type | SFS SFY SFA | DFS |
•Suitable for high speed positioning |
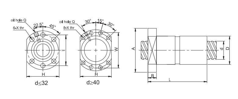
Size Table of OFNU Screws

| Model no. | d | I | Da | Load Rating Ca(kgf) |
Load Rating Coa(kgf) |
K kgf/μm |
|||||||||
| D | A | B | L | W | H | X | Q | n | |||||||
| OFNU1605-4 | 16 | 5 | 3.175 | 28 | 48 | 10 | 75 | 38 | 40 | 5.5 | M6*1 | 8 | 919 | 1789 | 33 |
| OFNU2005-4 | 20 | 5 | 3.175 | 36 | 58 | 10 | 85 | 47 | 44 | 6.6 | M6*1 | 8 | 831 | 1782 | 31 |
| OFNU2505-4 | 25 | 5 | 3.175 | 40 | 62 | 10 | 86 | 51 | 48 | 6.6 | M6*1 | 8 | 1137 | 2830 | 46 |
| OFNU2510-4 | 10 | 4.762 | 40 | 62 | 12 | 130 | 51 | 48 | 6.6 | M6*1 | 8 | 1792 | 3714 | 44 | |
| OFNU3205-4 | 32 | 5 | 3.175 | 50 | 80 | 12 | 87 | 65 | 62 | 9 | M6*1 | 8 | 1313 | 3861 | 58 |
| OFNU3210-4 | 10 | 6.35 | 50 | 80 | 12 | 145 | 65 | 62 | 9 | M6*1 | 8 | 3201 | 7154 | 62 | |
| OFNU4005-4 | 40 | 5 | 3.175 | 63 | 93 | 14 | 90 | 78 | 70 | 9 | M8*1 | 8 | 1477 | 5042 | 71 |
| OFNU4010-4 | 10 | 6.35 | 63 | 93 | 14 | 148 | 78 | 70 | 9 | M8*1 | 8 | 3707 | 9503 | 77 | |
| OFNU5010-4 | 50 | 10 | 6.35 | 75 | 110 | 16 | 148 | 93 | 85 | 11 | M8*1 | 8 | 4219 | 12450 | 95 |








