
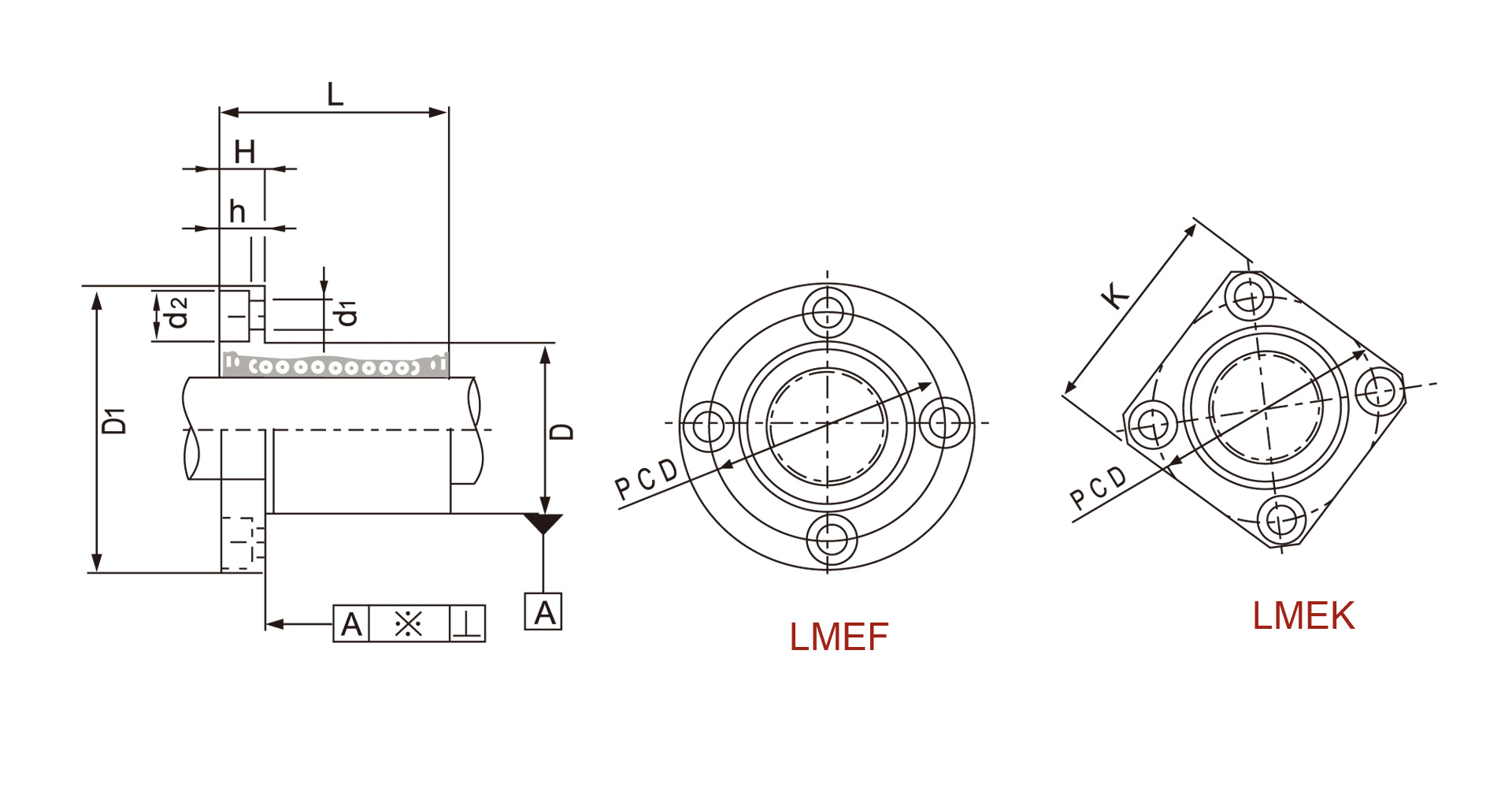
Fiche technique des roulements linéaires série LMEF/K/H

|
|
N° de pièce |
Dimensions principales et tolérances |
|||||||||
|
|
Type de joint |
Circuit des boules |
dr (mm) |
Tolérance (μm) |
D (mm) |
Tolérance (μm) |
L (mm) |
Tolérance (μm) |
D1 (mm) |
||
|
|
LMEF8UU |
LMEK8UU |
LMEH8UU |
4 |
8 |
+8 |
16 |
0/-11 |
25 |
±300 |
32 |
| ☆ |
LMEF12UU |
☆ LMEK12UU |
☆LMEH12UU |
4 |
12 |
22 |
0 |
32 |
-200 |
42 |
|
| ☆ |
LMEF16UU |
☆ LMEK16UU |
☆ LMEH16UU |
5 |
16 |
+9 |
26 |
36 |
46 |
||
| ☆ |
LMEF20UU |
☆ LMEK20UU |
☆LMEH20UU |
5 |
20 |
32 |
0 |
45 |
54 |
||
| ☆ |
LMEF25UU |
☆ LMEK25UU |
☆ LMEH25UU |
6 |
25 |
+11 |
40 |
58 |
-300 |
62 |
|
| ☆ |
LMEF30UU |
☆ LMEK30UU |
☆LMEH30UU |
6 |
30 |
47 |
68 |
76 |
|||
| ☆ |
LMEF40UU |
☆ LMEK40UU |
☆ LMEH40UU |
6 |
40 |
+13 |
62 |
0 |
80 |
98 |
|
|
|
LMEF50UU |
LMEK50UU |
LMEH50UU |
6 |
50 |
75 |
100 |
112 |
|||
|
|
LMEF60UU |
LMEK60UU |
LMEH60UU |
6 |
60 |
90 |
0/-22 |
125 |
-400 |
134 |
|
|
|
Note : ☆ signifie qu'un dispositif de retenue en acier est disponible. | ||||||||||

|
Dimensions principales et tolérances |
Excentricité (max) μm |
Jeu radial (max) μm |
Charge nominale de base CN |
Charge nominale de base CoN |
Poids (g) |
|||
|
H (mm) |
PCD (mm) |
K (mm) |
d1xd2xh(mm) |
|||||
|
5 |
24 |
25 |
3,5x6x3,1 |
12 |
-3 |
265 |
402 |
41 |
|
6 |
32 |
32 |
4.5×7.5×4.1 |
-4 |
510 |
784 |
80 |
|
|
6 |
36 |
35 |
4.5×7.5×4.1 |
578 |
892 |
103 |
||
|
8 |
43 |
42 |
5.5x9x5.1 |
15 |
-6 |
862 |
1370 |
182 |
|
8 |
51 |
50 |
5.5x9x5.1 |
980 |
1570 |
335 |
||
|
10 |
62 |
60 |
6,6x11x6,1 |
-8 |
1570 |
2740 |
560 |
|
|
13 |
80 |
75 |
9x14x8.1 |
20 |
2160 |
4020 |
1175 |
|
|
13 |
94 |
88 |
9x14x8.1 |
-13 |
3820 |
7940 |
1745 |
|
|
18 |
112 |
106 |
11x17x11.1 |
25 |
4700 |
9800 |
3220 |
|








