

|
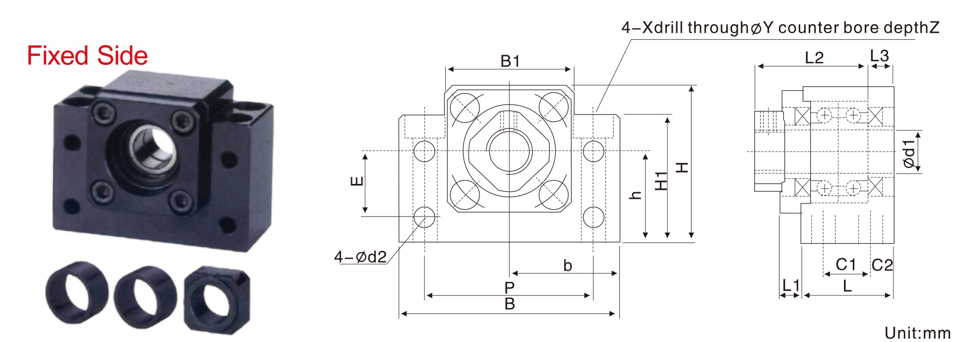
Modellszám |
d1 |
L |
L1 |
L2 |
L3 |
C1 |
C2 |
B |
H |
b±0.02 |
h±0.02 |
B1 |
H1 |
E |
P |
d2 |
X |
Y |
Z |
|
BK 10 |
10 |
25 |
5 |
29 |
5 |
13 |
6 |
60 |
39 |
30 |
22 |
34 |
32.5 |
15 |
46 |
5.5 |
6.6 |
10.8 |
5 |
|
BK 12 |
12 |
25 |
5 |
29 |
5 |
13 |
6 |
60 |
43 |
30 |
25 |
34 |
32.5 |
18 |
46 |
5.5 |
6.6 |
10.8 |
1.5 |
|
BK 15 |
15 |
27 |
6 |
32 |
6 |
15 |
6 |
70 |
48 |
35 |
28 |
40 |
38 |
18 |
54 |
5.5 |
6.6 |
11 |
6.5 |
|
BK 17 |
17 |
35 |
9 |
44 |
7 |
19 |
8 |
86 |
64 |
43 |
39 |
50 |
55 |
28 |
68 |
6.6 |
9 |
14 |
8.5 |
|
BK 20 |
20 |
35 |
8 |
43 |
8 |
19 |
8 |
88 |
60 |
44 |
34 |
52 |
50 |
22 |
70 |
6.6 |
9 |
14 |
8.5 |
|
BK 25 |
25 |
42 |
12 |
54 |
9 |
22 |
10 |
106 |
80 |
53 |
48 |
64 |
70 |
33 |
85 |
9 |
11 |
17.5 |
11 |
|
BK 30 |
30 |
45 |
14 |
61 |
9 |
23 |
11 |
128 |
89 |
64 |
51 |
76 |
78 |
33 |
102 |
11 |
14 |
20 |
13 |
|
BK 35 |
35 |
50 |
14 |
67 |
12 |
26 |
12 |
140 |
96 |
70 |
52 |
88 |
79 |
35 |
114 |
11 |
14 |
20 |
13 |
|
BK 40 |
40 |
61 |
18 |
76 |
15 |
33 |
14 |
160 |
110 |
80 |
60 |
100 |
90 |
37 |
130 |
14 |
18 |
26 |
17.5 |





_1.jpg)


