BF sorozat

A BF végtámaszokat néha "párnatömb" stílusúnak nevezik. A rögzítőfuratok biztosítják, hogy ezeket az alaphoz csavarozza, ahol a golyóscsavarja működni fog.
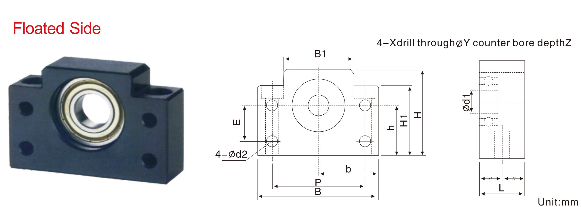
A BF "egyszerű/úszó" tartó csak egy szabványos golyóscsapággyal rendelkezik, amely a golyóscsavar végének a meghajtás helyével (jellemzően egy motor vagy csigakerék) ellentétes oldalán biztosítja a forgási támogatást.
A BF végtámaszokat néha "párnatömb" stílusúnak nevezik. A rögzítőfuratok biztosítják, hogy ezeket az alaphoz csavarozza, ahol a golyóscsavarja működni fog.
A BF "egyszerű/úszó" tartó csak egy szabványos golyóscsapággyal rendelkezik, amely a golyóscsavar végének a meghajtás helyével (jellemzően egy motor vagy csigakerék) ellentétes oldalán biztosítja a forgási támogatást.

Idézet most

    Gyors segítség: Lépjen kapcsolatba szakértőnkkel, és mi 24 órán belül válaszolunk Önnek!

    BF 10

    8

    20

    60

    39

    30

    22

    34

    32.5

    15

    46

    5.5

    6.6

    10.8

    5

    BF 12

    10

    20

    60

    43

    30

    25

    34

    32.5

    18

    46

    5.5

    6.6

    10.8

    1.5

    BF 15

    15

    20

    70

    48

    35

    28

    40

    38

    18

    54

    5.5

    6.6

    11

    6.5

    BF 17

    17

    23

    86

    64

    43

    39

    50

    55

    28

    68

    6.6

    9

    14

    8.5

    BF 20

    20

    26

    88

    60

    44

    34

    52

    50

    22

    70

    6.6

    9

    14

    8.5

    BF 25

    25

    30

    106

    80

    53

    48

    64

    70

    33

    85

    9

    11

    17.5

    11

    BF 30

    30

    32

    128

    89

    64

    51

    76

    78

    33

    102

    11

    14

    20

    13

    BF 35

    35

    32

    140

    96

    70

    52

    88

    79

    35

    114

    11

    14

    20

    13

    BF 40

    40

    37

    160

    110

    80

    60

    100

    90

    37

    130

    14

    18

    26

    17.5

    Gyakran ismételt kérdések

    V: Nagy figyelmet fordítunk termékeink minőségére, és számos minőségi tanúsítvánnyal rendelkezünk: ISO9001, ISO14001, CE európai uniós tanúsító tanúsítvány, ROHS tanúsítvány stb.

    V: Igen, a minta rendelkezésre áll. Ha érdekli, lépjen kapcsolatba velünk e-mailben ([email protected]), hogy további képeket és információkat kapjon.

    V: A lineáris mozgástermékek normál rendelési szállítása általában 1-2 hónapon belül ellenőrzött.
    A lineáris egység és a nagyobb pontosságú termékek normál rendelési ideje általában 7-15 munkanapon belül ellenőrizhető.

    V: Együttműködő szállítóvállalataink közé tartozik a DHL, a TNT, a UPS stb. A tengeri szállítás, a légi szállítás és az expressz szállítás mind rendelkezésre áll. Ha konkrét fuvarozót szeretne, kérjük, tájékoztasson minket a megrendelés leadásakor.

    V: E-mailben kapcsolatba léphet velünk ([email protected] ), és mi az Ön igényei szerint a legmegfelelőbb projektet ajánljuk.

    V: T/T előre.

    V: LIMON ügynök Ázsiában: Szingapúr, Japán, India
    LIMON ügynök Európában: Magyarország, Törökország, Izrael
    LIMON ügynök Dél-Amerikában: Brazília

    V: A LIMON elég jól teljesít Európában, Ázsiában és Dél-Amerikában, Kína is potenciális piac számunkra. Jelenleg a LIMON forgalmazói több mint 32 országot és régiót fednek le.

    V: Nagyon várjuk, hogy a LIMON szilárd partnere legyen. Kérjük, vegye fel velünk a kapcsolatot e-mailben ([email protected] ) , elkezdhetünk beszélgetni és többet megtudni egymásról.

    Kérjen ajánlatot most!

    Üdvözöljük, hogy megvitassa vásárlási igényeit ügyfélszolgálatunkkal.

      Népszerű ajánlások

      Online szolgáltatás 24/7

      Javítási segítséget vagy alkatrészeket keres?